Cardas

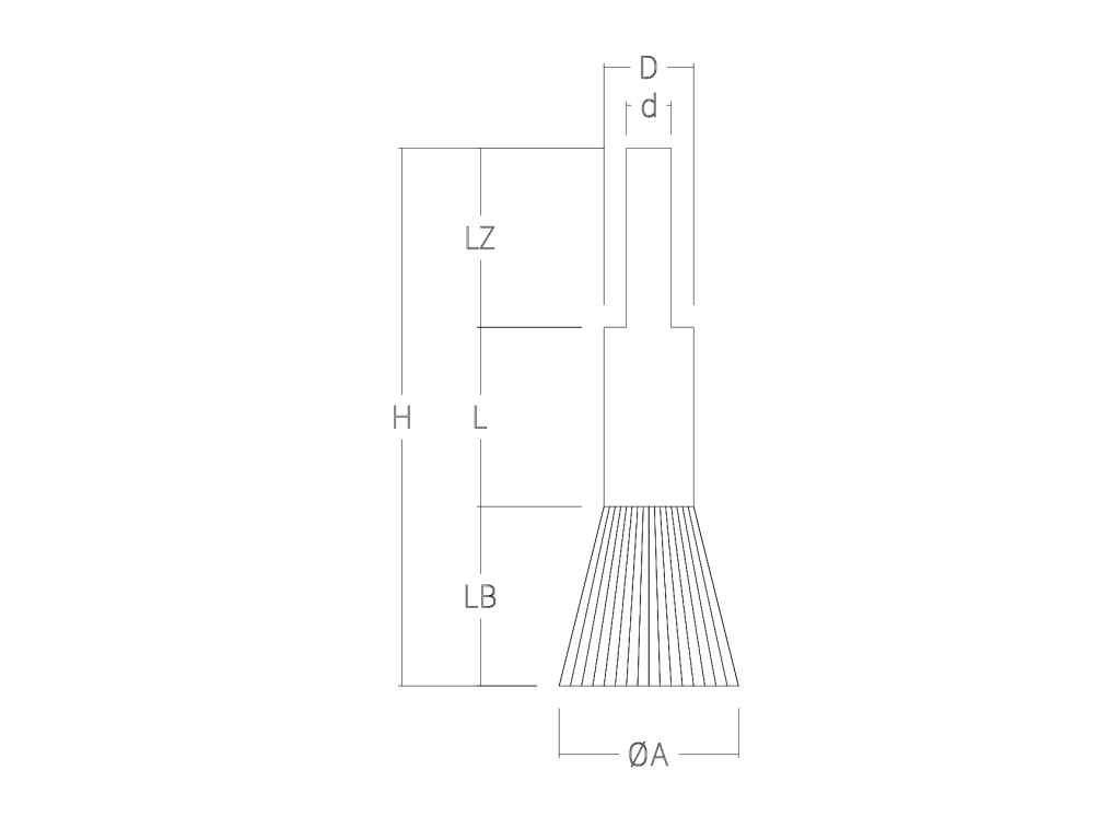
Las cardas son cepillos comúnmente con casquillos de acero y fibras metálicas en diferentes calibres, que sirven para la limpieza de óxido, sarro y otros materiales en superficies metálicas. También se pueden fabricar con casquillos de nylamid y fibras de nylon o plástico, y diferentes diámetros dependiendo la necesidad.

Estos cepillos se utilizan para la limpieza de superficies planas, curvas y profundas en donde se requiere limpiar el fondo solamente. Las principales aplicaciones para este tipo de cepillos son en la limpieza de cavidades profundas de moldes metálicos y superficies metálicas que requieran una limpieza o pulido profundo. El trabajo adecuado para este producto es con moto-tool o taladro a alta velocidad para la correcta limpieza de residuos o suciedad. Aplican en trabajos automáticos, semi-automáticos y robóticos.

Cardas Grandes


Cardas Chicas


Abrir chat
Hola
¿En qué podemos ayudarte?